
STM8S103F3P6 Stmicroelectronics द्वारा निर्मित एक 8-बिट माइक्रोकंट्रोलर है, जो इसकी प्रभावशाली कार्यक्षमता और सहज एकीकरण के लिए प्रसिद्ध है।यह कॉम्पैक्ट डिवाइस एक सतह-माउंटेड डिवाइस (एसएमडी) बढ़ते शैली से सुसज्जित है, एक उन्नत कोर और बाह्य उपकरणों को मूर्त रूप देता है जो अत्याधुनिक तकनीक का उपयोग करके सावधानीपूर्वक निर्मित होते हैं।16 मेगाहर्ट्ज की घड़ी की आवृत्ति के साथ, STM8S103F3P6 एक मजबूत I/O क्षमता का दावा करता है, जो कुशल डेटा प्रोसेसिंग और हैंडलिंग सुनिश्चित करता है।एक स्वतंत्र घड़ी स्रोत और घड़ी सुरक्षा प्रणाली से लैस इसका स्वतंत्र वॉचडॉग टाइमर, संभावित व्यवधानों के खिलाफ इष्टतम डिवाइस प्रदर्शन और लचीलापन की गारंटी देता है।
इसकी एक स्टैंडआउट सुविधाओं में से एक इसकी फ्लैश मेमोरी है, जो कोड और डेटा के लिए गैर-वाष्पशील भंडारण प्रदान करती है।एक ऑपरेटिंग वोल्टेज रेंज के साथ 2.95 V से 5.5 V तक फैले हुए, यह माइक्रोकंट्रोलर विभिन्न अनुप्रयोगों के लिए अत्यधिक बहुमुखी और अनुकूलनीय है।इसके अतिरिक्त, यह -40 ° C से 85 ° C की एक विस्तृत ऑपरेटिंग तापमान रेंज प्रदान करता है, जिससे यह विविध पर्यावरणीय परिस्थितियों में तैनाती के लिए उपयुक्त है।
• MSP430G2353
• PIC16LF18444T
• STM8S103F3P3
• STM8S103F3P3TR
• STM8S103F3P6TR


कम बिजली की खपत: इसमें चुनने के लिए विभिन्न प्रकार के कम बिजली की खपत मोड हैं, जिनमें निष्क्रिय मोड, स्लीप मोड, डीप स्लीप मोड और ऑफ मोड शामिल हैं, जो प्रभावी रूप से बैटरी लाइफ का विस्तार कर सकते हैं और ऊर्जा को बचा सकते हैं।
उच्च प्रदर्शन: यह उच्च-प्रदर्शन STM8 कोर आर्किटेक्चर को अपनाता है, जो ऑपरेटिंग आवृत्ति को 16MHz के रूप में उच्च होने की अनुमति देता है, जो निर्देश निष्पादन की गति में बहुत सुधार करता है और हमारे अनुप्रयोगों के लिए अधिक कुशल कंप्यूटिंग क्षमता प्रदान करता है।
एकाधिक संचार इंटरफेस: यह SPI (सीरियल पेरिफेरल इंटरफ़ेस), I2C और UART सहित विभिन्न प्रकार के संचार इंटरफेस का समर्थन करता है।इन इंटरफेस के माध्यम से, यह आसानी से अधिक कार्यों और अनुप्रयोगों को प्राप्त करने के लिए बाहरी उपकरणों के साथ संवाद और बातचीत कर सकता है।
प्रचुर मात्रा में परिधीय: STM8S103F3P6 माइक्रोकंट्रोलर में प्रचुर मात्रा में परिधीय संसाधन होते हैं, जिसमें 16KB फ्लैश मेमोरी और 1KB RAM मेमोरी शामिल हैं, साथ ही आमतौर पर GPIO PINS, TIMERS और UART जैसे इंटरफेस का उपयोग किया जाता है।इन बाह्य उपकरणों की विविधता डिवाइस को विभिन्न अनुप्रयोग परिदृश्यों के लिए उपयुक्त बनाती है और विभिन्न क्षेत्रों और उद्योगों की जरूरतों को पूरा कर सकती है।चाहे वह औद्योगिक नियंत्रण हो, स्मार्ट होम, या एम्बेडेड सिस्टम, STM8S103F3P6 समर्थन प्रदान कर सकता है।

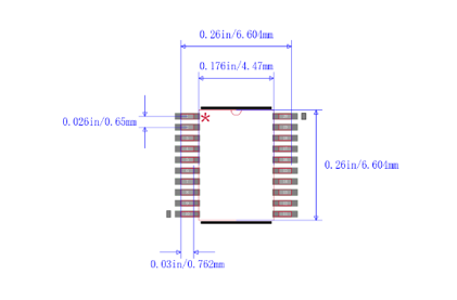
STM8S103F3P6 को एक पतली सिकुड़न छोटे रूपरेखा पैकेज (TSSOP) में पैक किया जाता है और इसमें 20 पिन होते हैं।शरीर और लीड रिक्ति मानक SOIC पैकेजों से छोटी होती है।TSSOP की एक विशिष्ट विशेषता पैक की गई चिप के चारों ओर पिन का गठन है, जो SMT तकनीक का उपयोग करके PCB पर बढ़ते वायरिंग के लिए उपयुक्त बनाता है।TSSOP पैकेज का उपयोग करते समय, परजीवी पैरामीटर (वर्तमान में बड़े बदलावों के कारण आउटपुट वोल्टेज गड़बड़ी) छोटे होते हैं, इसलिए यह उच्च-आवृत्ति अनुप्रयोगों के लिए उपयुक्त है।इस तरह का पैकेज संचालित करने के लिए अधिक सुविधाजनक है और उच्च विश्वसनीयता है।
TSSOP पैकेज में निम्नलिखित विशेषताएं हैं:
• छोटा पिन रिक्ति: पिन रिक्ति आमतौर पर 0.5 मिमी या 0.65 मिमी है।सर्किट बोर्ड कॉपर बार के डिजाइन के माध्यम से, अधिक उपकरणों को एक ही क्षेत्र और आकार के साथ सर्किट बोर्ड पर रखा जा सकता है।
• एप्लिकेशन का व्यापक दायरा: इसे विभिन्न एप्लिकेशन फ़ील्ड जैसे कि माइक्रोकंट्रोलर, डीएसपी, मेमोरी चिप्स और बिजली की आपूर्ति चिप्स पर लागू किया जा सकता है।
• हाई पिन काउंट: पिन की संख्या आम तौर पर 20 से 64 के आसपास होती है, जो कुछ चिप एकीकरण आवश्यकताओं को पूरा कर सकती है।
• छोटे पैकेज का आकार: साधारण छोटे रूपरेखा (एसओ) पैकेजों की तुलना में, इसका पैकेज का आकार छोटा है, मोटाई पतली है, और वॉल्यूम छोटा है, जिससे यह उच्च घनत्व वाले एकीकृत सर्किट की पैकेजिंग के लिए उपयुक्त है।
• उच्च प्रदर्शन: यह सतह माउंट तकनीक को अपनाता है, अच्छी चालकता और संक्षारण प्रतिरोध है, और उच्च गति, उच्च आवृत्ति, लघुकरण और इतने पर विशेष आवश्यकताओं को पूरा कर सकता है।
जब तक अन्यथा निर्दिष्ट नहीं किया जाता है, सभी वोल्टेज को वीएसएस के लिए संदर्भित किया जाता है।
न्यूनतम और अधिकतम मूल्यों को सबसे प्रतिकूल परिस्थितियों में गारंटी दी जाती है, जिसमें परिवेश के तापमान, आपूर्ति वोल्टेज और आवृत्तियों को शामिल किया जाता है।इन गारंटी को 100% उपकरणों पर किए गए कठोर उत्पादन परीक्षणों के माध्यम से स्थापित किया जाता है, जो टीए = 25 डिग्री सेल्सियस और टीए = टैमैक्स के परिवेश तापमान पर आयोजित किया जाता है (जैसा कि चुने हुए तापमान सीमा द्वारा परिभाषित किया गया है)।
लक्षण वर्णन परिणाम, डिजाइन सिमुलेशन और/या तकनीकी विशेषताओं के आधार पर मान टेबल फुटनोट्स में उल्लिखित हैं और उत्पादन परीक्षण से नहीं गुजरे हैं।लक्षण वर्णन के बारे में, न्यूनतम और अधिकतम मूल्य नमूना आकलन से संबंधित हैं और मानक विचलन (मतलब ± 3σ) से तीन गुना प्लस या माइनस की एक सीमा के साथ औसत मूल्य को दर्शाते हैं।
जब तक स्पष्ट रूप से अन्यथा नहीं कहा जाता है, मानक डेटा को TA = 25 ° C, VDD = 5 V के साथ स्थापित किया जाता है। ये मान पूरी तरह से डिज़ाइन संदर्भ के रूप में प्रदान किए जाते हैं और परीक्षण से गुजरते नहीं हैं।
एडीसी मूल्यों की विशिष्ट सटीकता पूर्ण तापमान सीमा में एक मानक प्रसार लॉट से नमूनों के एक सेट के लक्षण वर्णन के माध्यम से स्थापित की जाती है।इस संदर्भ में, 95% डिवाइस निर्दिष्ट मूल्य के भीतर एक त्रुटि प्रदर्शित करते हैं (मतलब σ 2σ)।
जब तक विशेष रूप से संकेत नहीं दिया जाता है, सभी मानक ग्राफ़ केवल डिजाइन संदर्भ के रूप में अभिप्रेत हैं और परीक्षण के अधीन नहीं हैं।
निर्दिष्ट निरपेक्ष अधिकतम रेटिंग से अधिक के परिणामस्वरूप डिवाइस को स्थायी नुकसान हो सकता है।ये रेटिंग पूरी तरह से तनाव की सीमाओं को इंगित करती हैं कि डिवाइस सहन कर सकता है, और यह निहित नहीं है कि डिवाइस इन शर्तों के तहत ठीक से काम करेगा।अधिकतम रेटिंग पर या उसके पास स्थितियों के संपर्क में डिवाइस की विश्वसनीयता पर प्रतिकूल प्रभाव पड़ सकता है।
डिवाइस का मिशन प्रोफाइल, जो अपनी आवेदन की शर्तों को रेखांकित करता है, JEDEC JESD47 योग्यता मानक का पालन करता है, अनुरोध पर उपलब्ध मिशन प्रोफाइल के साथ।
प्राथमिक नियामक के लिए स्थिरता प्राप्त करने के लिए, Cext लेबल वाले एक बाहरी संधारित्र को VCAP पिन से जोड़ा जाना चाहिए।यह सुनिश्चित करने के लिए आवश्यक है कि श्रृंखला इंडक्शन 15 एनएच से नीचे रहे।
वर्तमान खपत को निम्न चित्र में सचित्र के रूप में मापा जाता है।

रन मोड में कुल आपूर्ति वर्तमान खपत
MCU को निम्नलिखित शर्तों के तहत रखा गया है:
• सभी परिधीयों को अक्षम किया जाता है (घड़ी परिधीय घड़ी गेटिंग रजिस्टरों द्वारा रोक दी जाती है) को छोड़कर अगर स्पष्ट रूप से उल्लेख किया गया है।
• VDD या VSS (कोई लोड नहीं) पर एक स्थिर मूल्य के साथ इनपुट मोड में सभी I/O पिन
VDD और TA के लिए सामान्य परिचालन स्थितियों के अधीन।

STM8S103F3P6 में 20 पिन हैं, इसके पिन नाम और कार्य इस प्रकार हैं:
Pin1 (pd4/ beep/ tim2_ ch1/ uart1 _ck): पोर्ट डी 4
PIN2 (PD5/ AIN5/ UART1 _TX): पोर्ट D5
Pin3 (pd6/ ain6/ uart1 _rx): पोर्ट d6
PIN4 (NRST): रीसेट
Pin5 (PA1/OSCIN): पोर्ट A1
PIN6 (PA2/OSCOUT): पोर्ट A2
PIN7 (VSS): डिजिटल ग्राउंड
PIN8 (VCAP): 1.8 V नियामक संधारित्र
PIN9 (VDD): डिजिटल बिजली की आपूर्ति
PIN10 (PA3/ TIM2_ CH3 [SPI_ NSS]): पोर्ट A3
Pin11 (PB5/ I2C_ SDA [TIM1_ BKIN]): पोर्ट B5
Pin12 (PB4/ I2C_ SCL): पोर्ट B4
Pin13 (pc3/ tim1_ch3 [tli] [tim1_ ch1n]): पोर्ट c3
PIN14 (PC4/ CLK_CCO/ TIM1_ CH4/ AIN2/ [TIM1_ CH2N]): पोर्ट C4
PIN15 (PC5/ SPI_SCK [TIM2_ CH1]): पोर्ट C5
Pin16 (PC6/ SPI_MOSI [TIM1_ CH1]): पोर्ट C6
Pin17 (PC7/ SPI_MISO [TIM1_ CH2]): पोर्ट C7
PIN18 (PD1/ SWIM): पोर्ट डी 1
PIN19 (PD2/ AIN3/ [TIM2_ CH3]): पोर्ट D2
PIN20 (PD3/ AIN4/ TIM2_ CH2/ ADC_ ETR): पोर्ट डी 3
जैसा कि ऊपर दिए गए आंकड़े में दिखाया गया है, STM8S103F3P6 चिप में 16 I/O पिन हैं, जिसका उपयोग विभिन्न प्रकार के उद्देश्यों के लिए किया जा सकता है, जैसे कि GPIO, परिधीय इंटरफेस, ADC, आदि।बाहरी संकेतों को पढ़ने के लिए इनपुट पिन के रूप में उपयोग किया जाता है या बाहरी उपकरणों को सिग्नल भेजने के लिए आउटपुट पिन के रूप में।इसके अलावा, प्रत्येक I/O पिन को स्वतंत्र रूप से एक इंटरप्ट वेक्टर सौंपा जा सकता है ताकि वे होते हैं।
• स्वचालन प्रणाली: इस माइक्रोकंट्रोलर का उपयोग ऑटोमेशन सिस्टम जैसे इलेक्ट्रिक पर्दे, एक्सेस कंट्रोल सिस्टम, तापमान नियंत्रण और प्रकाश नियंत्रण में किया जा सकता है।
• IoT (इंटरनेट ऑफ थिंग्स) एप्लिकेशन: यदि हमें IoT उपकरणों को विकसित करने की आवश्यकता है, तो इसका उपयोग IoT नोड्स के लिए एक नियंत्रक के रूप में किया जा सकता है ताकि विभिन्न सेंसर और संचार मॉड्यूल को कनेक्ट और नियंत्रित किया जा सके।
• व्यक्तिगत इलेक्ट्रॉनिक उपकरण: डिजिटल कैमरों, एमपी 3 और एमपी 4 खिलाड़ियों, इलेक्ट्रॉनिक गेम कंसोल, आदि में उपयोग किया जाता है।
• इलेक्ट्रॉनिक उपकरण: विभिन्न इलेक्ट्रॉनिक उपकरणों को विकसित करने के लिए उपयोग किया जाता है
, जैसे इलेक्ट्रॉनिक खिलौने, रिमोट कंट्रोल, मिनी कैलकुलेटर, आदि।
• औद्योगिक क्षेत्र: पीएलसी, औद्योगिक नियंत्रकों, प्रक्रिया स्वचालन और जहाज स्वचालित नियंत्रण उपकरण, आदि में उपयोग किया जाता है।
• डेटा अधिग्रहण और सेंसर इंटरफ़ेस: पर्यावरण की स्थिति की निगरानी करने और डेटा एकत्र करने या विभिन्न सेंसर जैसे प्रकाश सेंसर, तापमान सेंसर और आर्द्रता सेंसर को जोड़ने के लिए उपयोग किया जाता है।
• एम्बेडेड नियंत्रण प्रणाली: विभिन्न एम्बेडेड नियंत्रण प्रणालियों को डिजाइन करने के लिए उपयोग किया जाता है, जैसे कि घरेलू उपकरण, औद्योगिक उपकरण, बिजली उपकरण, आदि। इसकी 8-बिट प्रसंस्करण शक्ति कई सरल नियंत्रण कार्यों के लिए पर्याप्त है।
STM8S103F3P6 एक माइक्रोकंट्रोलर चिप है जो StMicroelectronics द्वारा विकसित किया गया है।यह 8-बिट माइक्रोकंट्रोलर्स के STM8 परिवार से संबंधित है और इसका व्यापक रूप से विभिन्न एम्बेडेड सिस्टम और IoT अनुप्रयोगों में उपयोग किया जाता है।
STM8S103F3P6 माइक्रोकंट्रोलर यूनिट में 640 बिट ROM, 10-बिट 5-चैनल ADC, 1KB रैम और 8KB के प्रोग्राम मेमोरी आकार के साथ है।
हम STM8S103F3P6 को MSP430G2353, PIC16LF18444T, STM8S103F3P3, STM8S103F3P3TR या STM8S103F3P6TR के साथ बदल सकते हैं।
हां, STM8S103F3P6 को कम-शक्ति सुविधाओं के साथ डिज़ाइन किया गया है और इसका उपयोग बैटरी-संचालित या कम-शक्ति वाले अनुप्रयोगों में किया जा सकता है जहां ऊर्जा दक्षता आवश्यक है।
STM8S103F3P6 की कुछ प्रमुख विशेषताओं में GPIO (सामान्य उद्देश्य इनपुट/आउटपुट) पिन, UART (यूनिवर्सल एसिंक्रोनस रिसीवर/ट्रांसमीटर) संचार, I2C (इंटर-इंटीग्रेटेड सर्किट) संचार, SPI (सीरियल परिधीय इंटरफ़ेस) संचार, टाइमर, और बहुत कुछ शामिल हैं।
हमारे बारे में
हर बार ग्राहक संतुष्टि।आपसी विश्वास और सामान्य हित।
लिथियम सिक्का सेल CR2354 के तकनीकी विनिर्देश
2024-08-02
Atmega328-PU माइक्रोकंट्रोलर के लिए व्यापक गाइड
2024-08-02
ईमेल: Info@ariat-tech.comHK TEL: +852 30501966जोड़ें: Rm 2703 27F हो किंग कॉम सेंटर 2-16,
फा यूएन सेंट मोंगकॉक कॉव्लून, हांगकांग।